In drei Einbau-Versionen erhältlich: Compact, Vario, Top
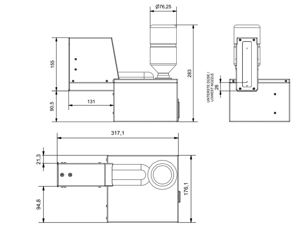
Der Markoprint X1JET MX ist in drei Einbau-Ausführungen verfügbar: Compact, Vario und Top. Bei der Compact Version ist der Druckkopf vertikal fest montiert. Bei der Vario Version kann der Druckkopf um 90° nach links gedreht werden, z. B. beim Codieren an ansteigenden Transportbändern. Mit der Top Version erfolgt die Codierung von oben auf die Umverpackung oder das Produkt.
