Etikettieranlage

Geset 247

Ober- und Unterseitenetikettierung für Produkte, die aufgrund ihrer Geometrie geklemmt transportiert werden

  • 2 Etiketten pro Produkt
  • Kompakte, leicht integrierbare Bauweise
  • Erweiterbar mit Drucktechnologien für variable Daten
  • Etikettenformat min. 20 x 25 mm, max. 135 x 300 mm
  • Etikettiert bis zu 300 Produkte/min

Dank Klemmband: sicher geführt, präzise etikettiert

Die CE-konforme Etikettieranlage Geset 247 wurde speziell für maximale Benutzerfreundlichkeit und einfache Integration in bestehende Produktionslinien entwickelt. Die modulare Anlage etikettiert Produkte zuverlässig auf der Ober- und Unterseite. Für einen gleichbleibend stabilen Produktfluss im Etikettierprozess sorgt das integrierte Klemmband. Die Etikettierung übernehmen zwei Alpha HSM Highspeed-Etikettenspender. Dank des zentralen Touchdisplays sowie einer Nahfeldbedienung ist die Steuerung intuitiv – ideal auch für weniger geschultes Personal. Ein schneller Rollen- und Formatwechsel reduziert Stillstandszeiten und erhöht die Flexibilität.

Produkt- und etikettenabhängige Parameter lassen sich speichern und direkt abrufen. Die kompakte Bauweise mit integriertem Steuerungsgehäuse, steckbaren Komponenten und klarem Design spart Platz und vereinfacht die Wartung. Für einen schnellen und effizienten Support ist die Anlage zudem vollständig fernwartbar. Mit verschiedenen Schnittstellen fügt sie sich nahtlos in moderne Produktionsumgebungen ein.

Anwendungen

Etikettieranlage Geset 247 Etikett auf Käse
Etikettieranlage Geset 247 Etikett auf Olivenschale
Etikettieranlage Geset 247 Etikett auf Leiterplatte
Etikettieranlage Geset 247 Etikett auf Pflegecreme
Etikettierung Plus Header Landingpage
Exklusive Aktion bis 31. Dezember 2025

System kaufen.
Service geschenkt.

2 Jahre Premium-Wartung kostenlos sichern und profitieren von:

+ Garantierter Reaktionszeit im Störungsfall
+ Wartungen inkl. Wartungsteile und Arbeitszeit
+ Telefonsupport mit 24h Hotline

Mehr erfahren

Besonderheiten

Geset 247 Detail Etikettenapplikator

Für Produkte und Verpackungen in Food, Pharma & Co.

Die Anlage etikettiert Verpackungen wie Kartons, Tiefziehschalen, Schachteln und vergleichbare Produkte und eignet sich für Anwendungen in der Lebensmittel-, Pharma-, Healthcare- und Homecarebranche. Alle Parameter lassen sich produktspezifisch speichern und mit hoher Genauigkeit abrufen – ideal für wechselnde Produkte und kleine Chargen.

Mit Tintenstrahldrucker Markoprint X1JET HP Standard bedrucktes Etikett

Optional erweiterbar mit Drucktechnologien

Sollen auf die Etiketten vor der Applikation variable Daten wie Mindesthaltbarkeitsdatum oder Chargennummer gedruckt werden, lässt sich die Anlage problemlos erweitern. Spezielle Halterungen für Thermotransfer-Direktdrucker und Inkjetdrucker gehören zum Modulumfang und sind sofort verfügbar. Somit können Sie Ihre hochwertigen Labels beim Etikettieren sehr effizient, gut lesbar und präzise mit zusätzlichen Codierungen versehen.

Wassertropfen auf Metall-Oberfläche

Schaltschrank mit IP54 und Edelstahlausführung optional

Der Austausch des Steuerungsgehäuses gegen einen Schaltschrank mit Schutzart IP54 – zum Schutz vor Spritzwasser bei der Reinigung – ist optional möglich. Zudem ist eine Anlagenausführung in Edelstahl erhältlich, was die Korrosionsbeständigkeit sensibler Komponenten wie Motor und Förderband in stark feuchten und anspruchsvollen Umgebungen erhöht.

Geset 247 Etikettierung von unten

Klemmband für noch präzisere Etikettierungen

Die Geset-Anlagen der Serie 24x verfügen über spezielle Klemmbänder, die Produkte präzise und sicher durch den Etikettierprozess führen. Besonders bei leichten, instabil stehenden oder ungleichmäßig geformten Gebinden sorgen die seitlichen Bänder für eine exakte Fixierung und Zentrierung. Aber auch für andere Produkte können Klemmbänder vorteilhaft sein, speziell wenn es auf eine besonders präzise Etikettierung ankommt. Gleichzeitig ermöglichen die Klemmbänder eine schonende Übernahme und Übergabe an Vor- und nachgeschaltete Anlagen, wenn Produkte aufgrund ihrer Beschaffenheit von der Fördertechnik direkt „gepflückt“ bzw. abgegriffen werden müssen.

Technische Daten
Technische Werte
Funktion Etikettieranlage
Ober- und Unterseite
Produktgeschwindigkeit bis
30 m/min
Produkthöhe
20 - 250 mm
Produktbreite (quer zur Förderrichtung)
20 - 200 mm
Etikettenbreite
20 - 135 mm
Etikettenlänge
25 - 300 mm
Etikettenposition
Oberseite, Unterseite
Positioniergenauigkeit
2 mm
Ausstattung
Produkttransport (Standard)
Klemmgurtbänder
Produktverwaltung
Standard
optionale Sonderausstattung
TTO Druckwerk, X1 Codierer, Edelstahl Ausführung
HMI
HMI Ausführung
Touchdisplay
Physikalische Aspekte
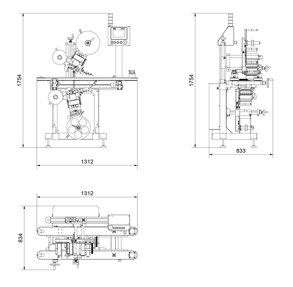
Abmessung System
1754 mm x 833 mm x 1312 mm
Zulassungen
CE, UKCA
Umgebungstemperatur
10 - 30°C
Anschlüsse
Anschlussspannung
230 - 230 V
Frequenz
50 - 50 Hz
Druckluftanschluss
6 bar